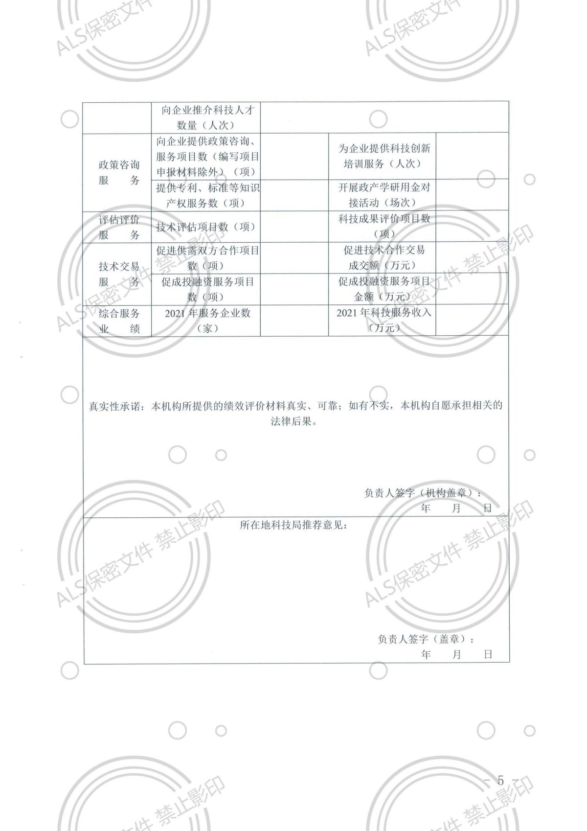
皖科技厅《关于开展2022年度科技中介服务机构工作绩效评价的通知》皖科区秘〔2022〕216号

2024-01-12